Продажа и обслуживание тракторов,

коммунальной и специальной техники

Техника:   (495) 233-35-53

Запчасти: (495) 760-92-42

Сервис:     (495) 763-33-50

 

Управление рулевое


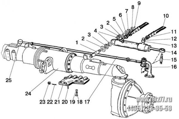
Подгруппа 3405, 3407. Гидроцилиндр и арматура ГОРУ (ПВМ 72-2300020-А-04)

Подгруппа 3405, 3407. Гидроцилиндр и арматура ГОРУ (ПВМ 72-2300020-А-04)

Отдел запчастей: +7 (495) 760-92-42

№ поз. № узла и детали Кол-во Наименование
1 102-3405103 1 Палец
2 Ф80-3405108 4 Чашка уплотнительная
3 Ф80-3405109 4 Уплотнитель шарнира
4 Ф80-3405107 4 Втулка сферическая
5 Ф80-3405102-В 2 Втулка
6 ШЧ 20 3 Шайба
7 Ф80-3405103 2 Шайба стопорная
8 М20х1,5 2 Гайка
9 1.1 Ц9хр 2 Масленка
10 952-3407100 2 Рукав высокого давления
11 Ф80-3407201 2 Болт
12 Ф80-3407114 4 Шайба
13 952-3407020 2 Переходник
14 Ц50-3405215-А-01 1 Гидроцилиндр 50x25-200
15 102-3405103-Б 1 Палец
16 72-2308075-01 1 Рычаг левый
17 1220-3003010 1 Тяга рулевая
18 М16х40 3 Болт
19 ШП 16 3 Шайба
20 Д01-015 2 Штифт
21 102-2301023-01 1 Кронштейн
22 4x36 2 Шплинт
23 70-4605316 2 Гайка
24 72-2300020-А-04 1 Передний ведущий мост
25 72-2308074 1 Рычаг правый

Вернуться к списку

 

 

 

 

info@mtz77.ru

 

 

Усиленные щётки в наличии!

 

Усиленные ковши в наличии!

 

 

Новости

Бочка 1 куб. м для малогабаритной техники
10 февраля 2025 г.

В наличии поливомоечное оборудование 1 куб. м для малогабаритной техники

Суперцены на бочки для траторов!
02 июля 2024 г.

До 31.07.2024 специальное предложение на поливомоечное оборудование!

Новые и б/у бочки в наличии на складе!
25 марта 2022 г.

Поступление поливомоечного оборудования для тракторов перед весенним сезоном.