Продажа и обслуживание тракторов,

коммунальной и специальной техники

Техника:   (495) 233-35-53

Запчасти: (495) 760-92-42

Сервис:     (495) 763-33-50

 

Приводы


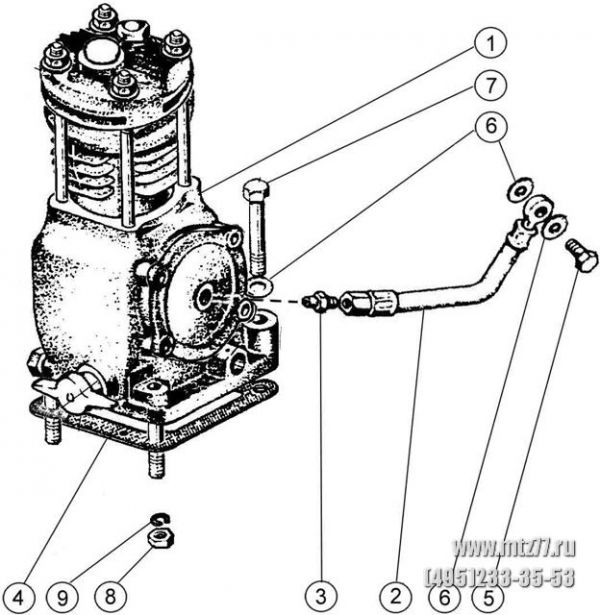
Подгруппа 3509. Установка пневмокомпрессора.

Подгруппа 3509. Установка пневмокомпрессора.

Отдел запчастей: +7 (495) 760-92-42

№ поз.
Номер сборочной
единицы, детали
Наименование                          Количество (по исполнениям дизелей Д-260)
      2S2-64 2S2-89 2S2-60 4S2-98 4S2-68 1S2-59 7S2-77 16-88 2S2-100 2S2-101 2S2-103
1 А29.05.000 - БЗА Компрессор 1 1 1 - 1 1 1 1 1 1 1
  А29.05.000 А - БЗА Компрессор - - - 1 - - - - - - -
2 240 – 3509150-02 Маслопровод 1 1 1 1 1 1 1 1 1 1 1
3 260 - 3509232 Штуцер 1 1 1 1 1 1 1 1 1 1 1
4 240 - 3509037 - А Прокладка 1 1 1 1 1 1 1 1 1 1 1
5 36 - 1104787 - 01 Болт штуцера 1 1 1 1 1 1 1 1 1 1 1
6 36 - 1104788 - 01 Прокладка 4 4 4 4 4 4 4 4 4 4 4
7 М10 - 6g X 45.88.35.019 Болт 1 1 1 1 1 1 1 1 1 1 1
8 М10 - 6Н.6.019 Гайка 3 3 3 3 3 3 3 3 3 3 3
9 10.65Г.06 Шайба 3 3 3 3 3 3 3 3 3 3 3

Вернуться к списку

 

info@mtz77.ru

 

 

Усиленные щётки в наличии!

 

Усиленные ковши в наличии!

 

 

Новости

Бочка 1 куб. м для малогабаритной техники
10 февраля 2025 г.

В наличии поливомоечное оборудование 1 куб. м для малогабаритной техники

Суперцены на бочки для траторов!
02 июля 2024 г.

До 31.07.2024 специальное предложение на поливомоечное оборудование!

Новые и б/у бочки в наличии на складе!
25 марта 2022 г.

Поступление поливомоечного оборудования для тракторов перед весенним сезоном.