Продажа и обслуживание тракторов,
![]() |
Техника: (495) 233-35-53 Запчасти: (495) 760-92-42 Сервис: (495) 763-33-50 |
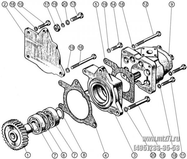
| № поз. |
Номер сборочной
единицы, детали
|
Наименование | Количество (по исполнениям дизелей Д-260) | ||||||||||||||||
| 2S2-64 | 2S2-89 | 2S2-60 | 4S2-98 | 4S2-68 | 1S2-59 | 7S2-77 | 16-88 | 2S2-100 | 2S2-101 | 2S2-103 | |||||||||
| 1 | 260 - 3407061 | Шестерня привода | 1 | 1 | 1 | - | 1 | 1 | 1 | 1 | 1 | 1 | 1 | ||||||
| 2 | 260 - 3407068 | Крышка | - | - | - | 1 | - | - | - | - | - | - | - | ||||||
| 3 | 260 - 3407069 | Корпус | 1 | 1 | 1 | - | 1 | 1 | 1 | 1 | 1 | 1 | 1 | ||||||
| 4 | 260 - 3407075 | Прокладка | 1 | 1 | 1 | 1 | 1 | 1 | 1 | 1 | 1 | 1 | 1 | ||||||
| 5 | 240 - 1022062 | Прокладка | 1 | 1 | 1 | - | 1 | 1 | 1 | 1 | 1 | 1 | 1 | ||||||
| 6 | 240 - 1307064 - 01 | Кольцо стопорное | 1 | 1 | 1 | - | 1 | 1 | 1 | 1 | 1 | 1 | 1 | ||||||
| 7 | 205К | Шарикоподшипник | 2 | 2 | 2 | - | 2 | 2 | 2 | 2 | 2 | 2 | 2 | ||||||
| 8 | В 25 | Кольцо | 1 | 1 | 1 | - | 1 | 1 | 1 | 1 | 1 | 1 | 1 | ||||||
| 9 |
НШ 14 - 3Л или
НШ 16-3Л
|
Насос шестеренчатый | 1 | 1 | 1 | - | 1 | 1 | - | - | 1 | 1 | 1 | ||||||
| НШ 20-3Л | Насос шестеренчатый | - | - | - | - | - | - | 1 | 1 | - | - | - | |||||||
| 10 | М8 - 6g x 30.88.35.019 | Болт | - | - | - | 2 | - | - | - | - | - | - | - | ||||||
| 11 | М8 - 6g x 35. 88.35.019 | Болт | 2 | 2 | 2 | - | 2 | 2 | 2 | 2 | 2 | 2 | 2 | ||||||
| 12 | М8 - 6g x 75. 88.35.019 | Болт | 2 | 2 | 2 | - | 2 | 2 | 2 | 2 | 2 | 2 | 2 | ||||||
| 13 | М10 - 6g x 30. 88.35.019 | Болт | - | - | - | 1 | - | - | - | - | - | - | - | ||||||
| 14 | М10 - 6g x 40. 88.35.019 | Болт | 1 | 1 | 1 | - | 1 | 1 | 1 | 1 | 1 | 1 | 1 | ||||||
| 15 | М10 - 6g x 65. 88.35.019 | Болт | 1 | 1 | 1 | - | 1 | 1 | 1 | 1 | 1 | 1 | 1 | ||||||
| 16 | М10 - 6g x 70. 88.35.019 | Болт | - | - | - | 1 | - | - | - | - | - | - | - | ||||||
| 17 | М10 - 6Н.6.019 | Гайка | - | - | - | 1 | - | - | - | - | - | - | - | ||||||
| 18 | 8.65Г.06 | Шайба | 4 | 4 | 4 | 2 | 4 | 4 | 4 | 4 | 4 | 4 | 4 | ||||||
| 19 | 10.65Г.06 | Шайба | 1 | 1 | 1 | 2 | 1 | 1 | 1 | 1 | 1 | 1 | 1 | ||||||
| 20 | 10.01.08кп.019 | Шайба | 1 | 1 | 1 | 1 | 1 | 1 | 1 | 1 | 1 | 1 | 1 | ||||||
В наличии поливомоечное оборудование 1 куб. м для малогабаритной техники
До 31.07.2024 специальное предложение на поливомоечное оборудование!
Поступление поливомоечного оборудования для тракторов перед весенним сезоном.